Засідання наукового гуртка здобувачів вищої освіти «Актуальні проблеми електроніки та електроенергетики» факультету архітектури та будівництва
25 лютого 2026 року відбулося чергове засідання наукового гуртка здобувачів вищої освіти “Актуальні проблеми електроніки та електроенергетики” кафедри гідротехнічного будівництва, водної та електричної інженерії факультету архітектури та будівництва. Відповідно до плану роботи, з доповіддю на тему «Стабілізатори напруги і струму» виступив керівник наукового гуртка к.т.н., доцент Литвиненко В.М.
У своїй доповіді доповідач висвітлив наступні питання:
1. Загальна характеристика стабілізаторів напруги і струму.
2. Стабілізатори напруги.
3. Стабілізатори струму.
Доповідач в своїй доповіді охарактеризував стабілізатори напруги і струму. Для того, щоб забезпечити підтримання напруги на навантаженні на незмінному рівні при змінах напруги мережі або змінах опору навантаження у зазначених межах, а також при дії інших дестабілізуючих факторів, використовують спеціальні пристрої - стабілізатори напруги.
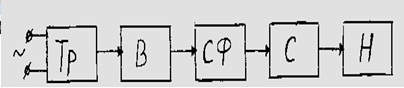
На рис. 1 приведена схема випрямного пристрою (стабілізованого джерела живлення).
Рис. 1. Функціональна схема випрямного пристрою
«Чорнову роботу» в схемі випрямного пристрою виконують випрямляч і згладжувальний фільтр - випрямляч перетворює змінну напругу в пульсуючу (випрямляє напругу за напрямом, але напруга залишається ще змінною за амплітудою), а згладжувальний фільтр згладжує пульсації. В свою чергу, стабілізатор виконує дуже важливу роль – закріплює результати роботи випрямляча і згладжувального фільтра - забезпечує стабільну (незміну) напругу на навантажені пристрою.
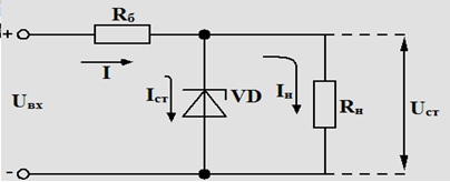
Параметричні стабілізатори працюють за рахунок зміни власних параметрів електронних нелінійних приладів і можуть виконуватися на основі напівпровідникових приладів, вихідна напруга яких мало залежить від струму, що протікає через прилад, наприклад, на стабілітронах.
Рис. 2. Схема параметричного стабілізатора напруги
Стабілітрон в схемі стабілізатора включається по відношенню до Uвх (напруга джерела живлення, що стабілізується) в зворотному напрямі (для входження його в стан пробою) (рис.2).
При збільшенні Uвх (тобто напруги джерела живлення, що стабілізується) струм І в загальному колі і струм в резисторі навантаження Rн повинні збільшитися. Повинно збільшитись і падіння напруги на резисторі Rн. Однак надлишок струму І в загальному колі практично повністю відгалужується в стабілітрон, так як опір стабілітрону в стані пробою, де вибрана його робоча точка, значно менший опору навантаження. Оскільки при зміні струму на робочій дільниці стабілітрону (від Iст.min до Iст.max) напруга на його зажимах змінюється мало, то практично весь надлишок вхідної напруги виділяється на баласному опорі Rб (баласний опір використовується в схемі параметричного стабілізатора для захисту стабілітрону в разі раптового підвищення Uвх). У результаті цього напруга на опорі навантаження практично не змінюється (так як стабілітрон підключений паралельно Rн). Таким чином, якщо струм, що протікає через стабілітрон при зміні напруги джерела живлення, що стабілізується, не вийде за межі Iст.min…Iст.max, то напруга на стабілітроні, а, отже, і на опорі навантаження залишиться практично незмінною.
Компенсаційні стабілізатори напруги і струму є системами автоматичного регулювання, у яких завдяки наявності негативного зворотного зв'язку забезпечується сталість напруги і струму на навантажувальному пристрої (опорі). На рис. 3 наведена схема компенсаційного стабілізатора напруги.
Рис. 3. Схема компенсаційного стабілізатора напруги
Часто виникає необхідність стабілізації значення не напруги на навантаженні, а його струму (наприклад, при заряді акумуляторних батарей, в електрохімічних реакторах тощо). Оскільки реально ми маємо справу з джерелами напруги, постає проблема перетворення джерела напруги у джерело струму.
Переваги компенсаційних стабілізаторів постійні напруги і струму у порівнянні з параметричними стабілізаторами:
1) високий коефіцієнт стабілізації (>1000);
2) низький внутрішній опір (Riст »10-3¸10-4 Ом);
3) практична безінерційність;
Недоліки компенсаційних стабілізаторів у порівнянні з параметричними стабілізаторами:
1) невисоке значення коефіцієнта корисної дії, що не перевищує 0,5-0,6;
2) велика складність, а отже менша надійність у порівнянні з параметричними стабілізаторами;
3) значні габарити, маса і вартість стабілізаторів.
Стабілізатор напруги L7908(-8V, 1,5A) TO-220
Схема компенсаційного стабілізатора струму
Стабілізатор напруги LVT АСН-250
Стабілізатор напруги GX501D
У засіданні наукового гуртка та обговорені запропонованих питань прийняли активну участь здобувачі 1-4 курсів та магістри першого року навчання, які навчаються за спеціальностями G3 Електрична інженерія та 141 електроенергетика, електротехніка та електромеханіка.
Автор: Литвиненко В.М. (25.02.26 року)







